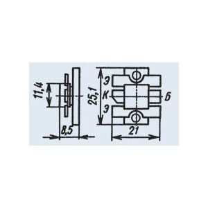
КТ970А 2Т970А
Транзисторы КТ970А 2Т970А кремниевые эпитаксиально-планарные структуры n-p-n генераторные. Предназначены для применения в усилителях мощности, умножителях частоты и автогенераторах на частотах 100...400 МГц при напряжении питания 28 В.
Описание взято с сайта http://www.eandc.ru




