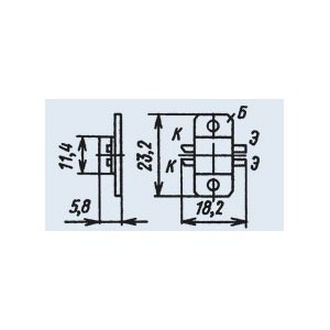
KТ9161АС 2Т9161АС
Сборка KТ9161АС 2Т9161АС из двух кремниевых эпитаксиально-планарных структуры n-p-n генераторных транзисторов. Предназначена для применения в двухтактных импульсных усилителях мощности и генераторах в схеме с общей базой в диапазоне частот 200...500 МГц при напряжении питания 45 В.
Описание взято с сайта http://www.eandc.ru


