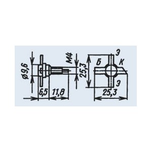
КТ983В 2Т983В
Транзисторы КТ983В 2Т983В кремниевые эпитаксиально-планарные структуры n-p-n генераторные. Предназначены для применения в линейных усилителях мощности на частотах 40...860 МГц при напряжении питания 25 В.
Описание взято с сайта http://www.eandc.ru




